Skontaktuj się z nami

Telefon

Polska

+48 58 762 17 80

Formularz kontaktowy

Z przyjemnością odpowiemy na Twoje pytania.

> Kontakt

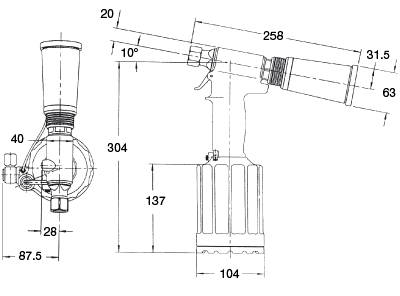
HUCK® Nity wysokoobciążalne Narzędzia

202V

Nitownice pneumatyczne i hydrauliczne do montażu nitów wysokoobciążalnych HUCK®. Dobór narzędzia zależny od ilości montowanych nitów i rodzaju nitu.

Specyfikacja techniczna

Wykonanie

Nitownica pneumatyczna z podsysem

Oznaczenie

202V

Waga

2,3 kg

Ciśnienie powietrza

5,5 do 6,9 bar

Siła robocza

17,3 kN (przy 6,2 barach)

maks. siła zacisku

18,9 mm

Zużycie powietrza

244 l/min przy 30 cykli/min

Dowiedz się więcej